Skip to main content
Skip to main navigation menu
Skip to site footer
Open Menu
Electrical Engineering & Electromechanics
About
About the Journal
Open Access Policy
Submissions
Privacy Statement
Editorial Board
For Authors
Indexing
Policy & Ethics
Publishing Policy and Publication Ethics
Preliminary review of articles
Peer Review
Authorship
Anti-plagiarism
Conflict of interest
Current
Archives
Contacts
Search
Search
Register
Login
Search
Search
Home
/
Archives
/
No. 6 (2025)
No. 6 (2025)
Published:
2025-11-02
Full Issue
PDF ENG
PDF UKR (Українська)
Electrical Machines and Apparatus
Effect of short-circuit in stator windings on the operation of doubly-fed induction generators operating in a wind power system
Y. Diboune, R. Hachelaf, D. Kouchih
3-7
PDF ENG
Electrotechnical complexes and Systems
Inverter fuzzy speed control of multi-machine system series-connected fed by a single five-phase an asymmetrical 19-level inverter with less number of switches
T. Bessaad, A. Benbouali, K. Khelifi Otmane, R. Taleb, H. Sahraoui, A. Iqbal
8-14
PDF ENG
Optimal power flow analysis under photovoltaic and wind power uncertainties using the blood-sucking leech optimizer
B. Bouhadouza, F. Sadaoui
15-26
PDF ENG
Fault-tolerant control of a double star induction machine operating in active redundancy
S. Guizani, A. Nayli, F. Ben Ammar
27-31
PDF ENG
Robust fault-tolerant sliding mode control and advanced fault diagnosis for doubly-fed induction generators
N. Hamdi, F. Babaa, A. Touil, N. Merabet
32-39
PDF ENG
Synthesis of combined shielding system for overhead power lines magnetic field normalization in residential building space
B. I. Kuznetsov, T. B. Nikitina, I. V. Bovdui, K. V. Chunikhin, V. V. Kolomiets, B. B. Kobylianskyi
40-50
PDF ENG
Fuzzy logic-based vector control of permanent magnet synchronous motor drives under inter-turn short-circuit fault conditions
Y. Laamari, N. Boukhennoufa, H. Benderradji, S. Allaoui
51-56
PDF ENG
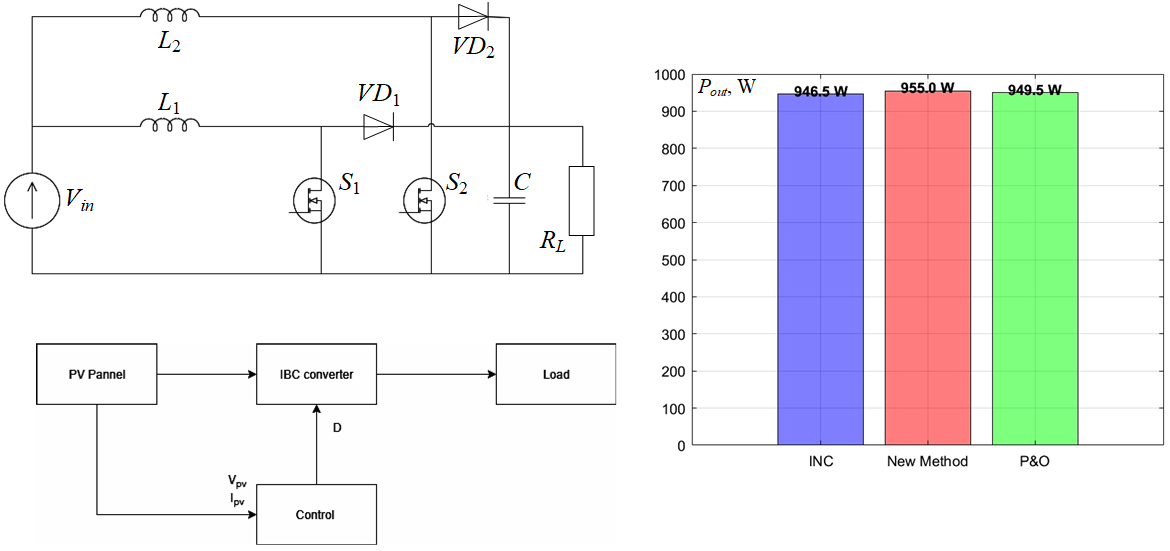
New adaptive modified perturb and observe algorithm for maximum power point tracking in photovoltaic systems with interleaved boost converter
M. Makhlouf, O. Laouar
57-63
PDF ENG
A robust hybrid control strategy for enhancing torque stability and performance in PMSM drives
V. T. K. Nhi, B. T. Quy, H. H. B. Nghia, L. V. Dai
64-74
PDF ENG
Nonlinear vector control of multiphase induction motor using linear quadratic regulator and active disturbances rejection control under disturbances and parameter variations
S. E. Rezgui, Z. Darsouni, H. Benalla
75-83
PDF ENG
Enhanced siting and sizing of distributed generation in radial distribution networks under load demand uncertainty using a hybrid metaheuristic framework
S. S. Sabry, O. Sh. Al-Yozbaky
84-92
PDF ENG
Improved speed sensorless control for induction motor drives using rotor flux angle estimation
C. D. Tran, M. Kuchar, P. D. Nguyen
93-97
PDF ENG
Industrial Electronics
Application perturb and observe maximum power point tracking with interconnection and damping assignment passive-based control for photovoltaic system using boost converter
A. Toualbia, A. B. Djilali, R. Taleb, N. Mansour, M. Souaihia, H. Saidi
98-105
PDF ENG
Language
English
Українська
Make a Submission
Make a Submission